
某工厂弱电(安防、监控及通信等)工程全套施工图

某工厂弱电(安防、监控及通信等)工程全套施工图

某工厂弱电(安防、监控及通信等)工程全套施工图
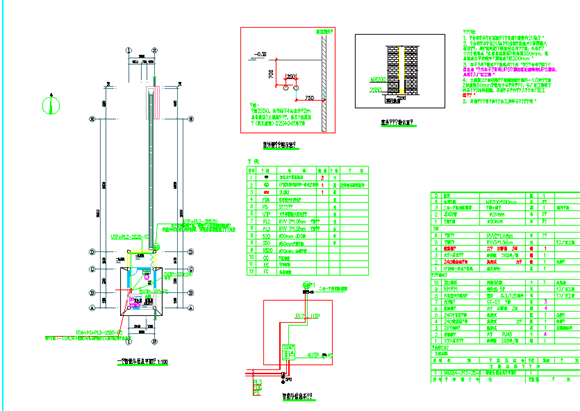
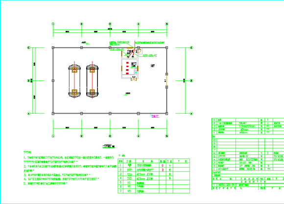
该弱电施工为该厂区全套图纸,内含安防、监控及通信等设计子项目,可供参考。

某工厂弱电(安防、监控及通信等)工程全套施工图

某工厂弱电(安防、监控及通信等)工程全套施工图

某工厂弱电(安防、监控及通信等)工程全套施工图
该弱电施工为该厂区全套图纸,内含安防、监控及通信等设计子项目,可供参考。
声明:资源收集自网络或用户分享,仅供学习参考,如侵犯您的权益,请联系我们处理。
不能下载?报告错误