规范网
更新
当前位置:
规范网
资料
内容详情
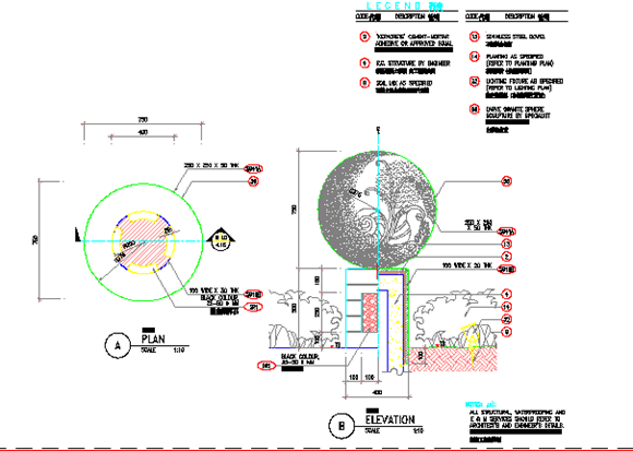
小品、雕塑设计施工图
小品、雕塑设计施工图
小品、雕塑设计施工图
小品、雕塑设计施工图
本资料为:小品、雕塑设计施工图,可供参考。
加入收藏
下载文件
声明:资源收集自网络或用户分享,仅供学习参考,如侵犯您的权益,请联系我们处理。
不能下载?报告错误
下页:
旅游景区公共厕所建筑设计图纸
相关推荐
坡面屋顶阵列前后间距计算和遮挡物影长计算公式V1.1
光伏专用电缆选型计算,汇流箱至逆变器电缆选型计算,短路电流计算,组串数量计算
风力发电经济评价模型案例
风电 水电效益测算分析表
分布式光伏工程报价参考计算表格
小品、雕塑设计施工图
下载文件
免费下载
标签
文化规范
装修
图集
食品安全标准
管件标准
数据标准
螺丝标准
电气安全标准
安全帽标准
球墨铸铁管标准
钢结构标准
实习报告
15j401
中心孔标准
国家物资储备规范
甘肃省标准
湖北省标准
排放标准
化工规范
生产总结
教育规范
福建省标准
幼儿园工作计划
钢丝绳标准
15j403-1
税务规范
中医药规范
通信规范