规范网
更新
当前位置:
规范网
资料
内容详情
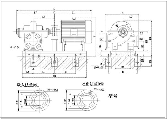
各种水泵结构设计图纸大全(25张)
各种水泵结构设计图纸大全(25张)
各种水泵结构设计图纸大全(25张)
各种水泵结构设计图纸大全(25张)
各种水泵结构设计图纸大全,大样,安装说明,可供参考,共25张。
加入收藏
下载文件
声明:资源收集自网络或用户分享,仅供学习参考,如侵犯您的权益,请联系我们处理。
不能下载?报告错误
下页:
某地工厂车间照明设计图(共8张)
相关推荐
坡面屋顶阵列前后间距计算和遮挡物影长计算公式V1.1
光伏专用电缆选型计算,汇流箱至逆变器电缆选型计算,短路电流计算,组串数量计算
风力发电经济评价模型案例
风电 水电效益测算分析表
分布式光伏工程报价参考计算表格
各种水泵结构设计图纸大全(25张)
下载文件
免费下载
标签
矿泉水标准
阀门标准
税务规范
水利
城市道路
企业工作计划
型钢标准
钢丝绳标准
机械规范
卫生规范
最新更新
土地管理规范
疏水阀标准
江西省标准
不锈钢管标准
edi标准
10j301
消防救援规范
12j003
安全标准
自我评价
平键标准
邮政规范
采购总结
学期总结
煤炭规范
出入境检验检疫规范
结构