

电动葫芦电气控制接线原理图设计集合

电动葫芦电气控制接线原理图设计集合

电动葫芦电气控制接线原理图设计集合
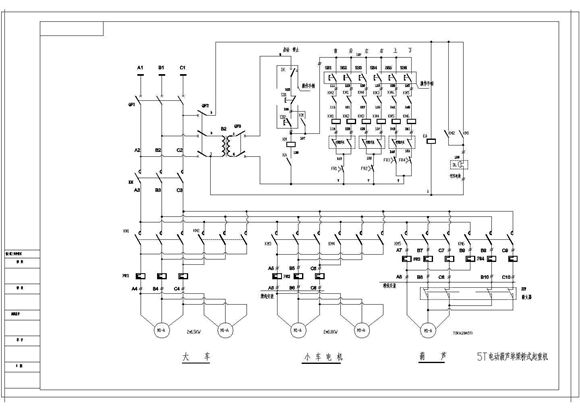
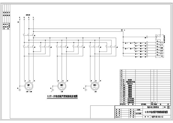
包括:0.5T/5T电动葫芦控制接线原理图;5T电动葫芦单梁桥式起重机;XLDA电动葫芦控制箱接线原理图等。


电动葫芦电气控制接线原理图设计集合

电动葫芦电气控制接线原理图设计集合

电动葫芦电气控制接线原理图设计集合
包括:0.5T/5T电动葫芦控制接线原理图;5T电动葫芦单梁桥式起重机;XLDA电动葫芦控制箱接线原理图等。
声明:资源收集自网络或用户分享,仅供学习参考,如侵犯您的权益,请联系我们处理。
不能下载?报告错误