规范网
更新
当前位置:
规范网
资料
内容详情
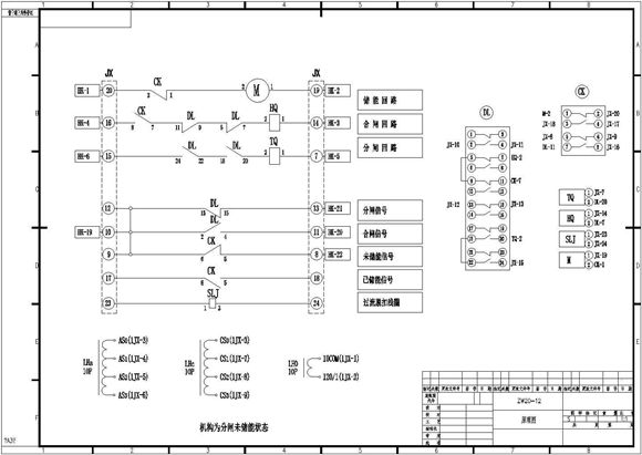
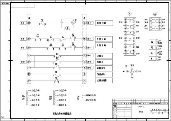
柱上负荷开关断路器原理和接线图
柱上负荷开关断路器原理和接线图
柱上负荷开关断路器原理和接线图
柱上负荷开关断路器原理和接线图
本资料为:柱上负荷开关断路器原理和接线图,内含:接线原理图等,可供参考。
加入收藏
下载文件
声明:资源收集自网络或用户分享,仅供学习参考,如侵犯您的权益,请联系我们处理。
不能下载?报告错误
下页:
体育场看台设计及视线分析图
相关推荐
项目经理们直呼哇塞成本方圆图四大工具
想要真石漆不发花?请认真看完这篇外墙真石漆施工技术指引
细节见真章碧桂园标杆项目装修全过程管理及工艺亮点照片
武汉钢框架混凝土核心筒施工汇报
屋顶构造做法及细部构造培训讲义
柱上负荷开关断路器原理和接线图
下载文件
免费下载
标签
家长会发言稿
热电偶标准
焊接标准
医院总结
02j331
球墨铸铁管标准
甘肃省标准
供销合作规范
密封圈标准
工业标准
财务总结
有色金属规范
听课报告
党员总结
信息总结
贵州省标准
生产总结
蝶阀标准
胶合板标准
建筑
链轮标准
iec标准
广播稿
食用盐标准
能源资料
转正申请
教师工作计划
项目总结