规范网
更新
当前位置:
规范网
资料
内容详情
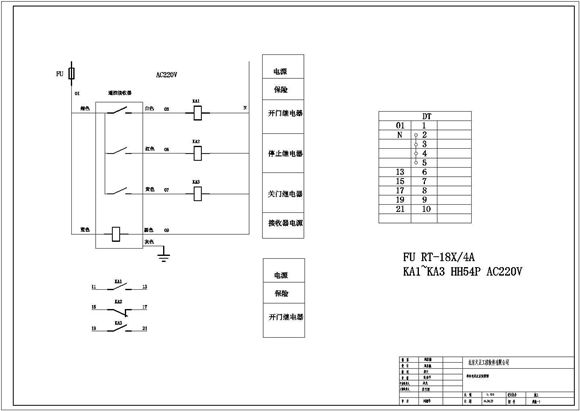
单相电机正反转电气控制原理图
单相电机正反转电气控制原理图
单相电机正反转电气控制原理图
单相电机正反转电气控制原理图
本图纸为单相电机正反转电气控制原理图,包括单相电机正反转电气原理图等,可供参考。
加入收藏
下载文件
声明:资源收集自网络或用户分享,仅供学习参考,如侵犯您的权益,请联系我们处理。
不能下载?报告错误
下页:
600*600*800电缆手孔井原理图
相关推荐
坡面屋顶阵列前后间距计算和遮挡物影长计算公式V1.1
光伏专用电缆选型计算,汇流箱至逆变器电缆选型计算,短路电流计算,组串数量计算
风力发电经济评价模型案例
风电 水电效益测算分析表
分布式光伏工程报价参考计算表格
单相电机正反转电气控制原理图
下载文件
免费下载
标签
申请书模板
家长会发言稿
电影规范
12j003
通信规范
放假通知
税务规范
电力规范
四川省标准
阀门标准
体育规范
教师发言稿
行政总结
管道标准
文物保护规范
15j403-1
食品标准
教师工作计划
销售总结
校车标准
交通运输规范
安全帽标准
线材标准
公司工作计划
安徽省标准
不锈钢管标准
个人自传
广播电影电视规范