
ABB软启动接线、控制原理图(全套)

ABB软启动接线、控制原理图(全套)

ABB软启动接线、控制原理图(全套)
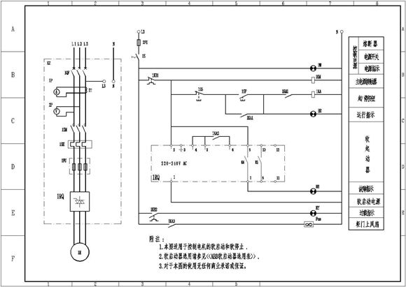
本图纸为:ABB软启动接线、控制原理图(全套),其中包含:平面图、立面图、剖面图等,可供参考。

ABB软启动接线、控制原理图(全套)

ABB软启动接线、控制原理图(全套)

ABB软启动接线、控制原理图(全套)
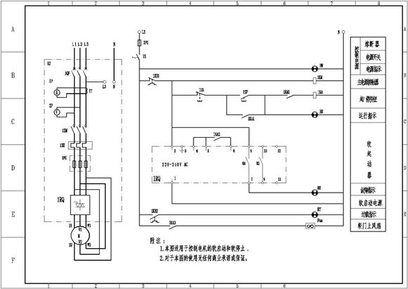
本图纸为:ABB软启动接线、控制原理图(全套),其中包含:平面图、立面图、剖面图等,可供参考。
声明:资源收集自网络或用户分享,仅供学习参考,如侵犯您的权益,请联系我们处理。
不能下载?报告错误