
钢框架电梯井道结构施工图(轻钢结构,共7张)

钢框架电梯井道结构施工图(轻钢结构,共7张)

钢框架电梯井道结构施工图(轻钢结构,共7张)
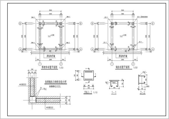
包含钢结构设计总说明、基础设计说明、剖面图、预埋件布置平面图、钢柱布置平面图、结构布置平面图、屋面结构布置平面图、钢架布置立面图共7张图纸。基础布置平面图结构布置平面图连接大样角部钢柱与

钢框架电梯井道结构施工图(轻钢结构,共7张)

钢框架电梯井道结构施工图(轻钢结构,共7张)

钢框架电梯井道结构施工图(轻钢结构,共7张)
包含钢结构设计总说明、基础设计说明、剖面图、预埋件布置平面图、钢柱布置平面图、结构布置平面图、屋面结构布置平面图、钢架布置立面图共7张图纸。基础布置平面图结构布置平面图连接大样角部钢柱与
声明:资源收集自网络或用户分享,仅供学习参考,如侵犯您的权益,请联系我们处理。
不能下载?报告错误