
独立基础水泵房结构施工图(共4张图)

独立基础水泵房结构施工图(共4张图)

独立基础水泵房结构施工图(共4张图)
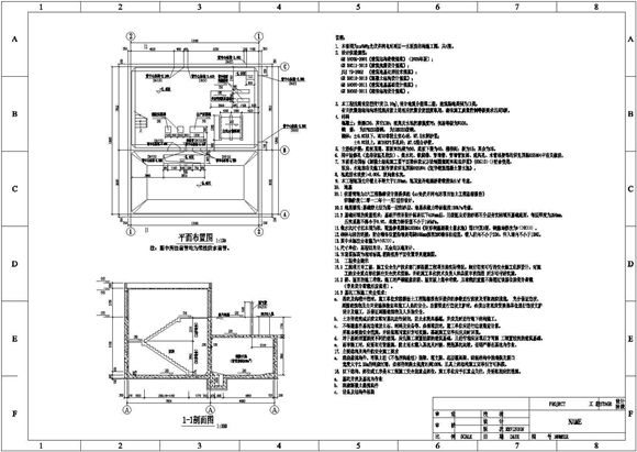
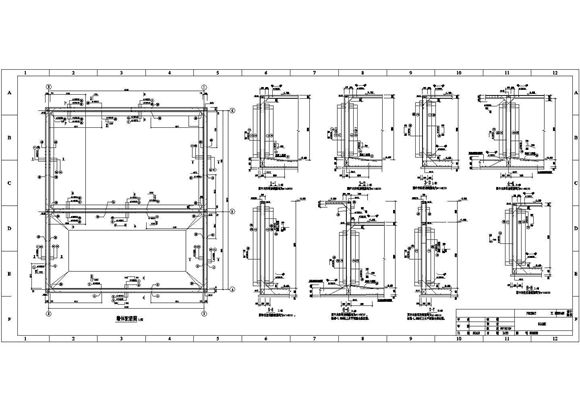
建筑功能:其他图纸深度:施工图结构形式:砌体结构,钢筋混凝土结构钢筋混凝土结构:其他结构基础形式:独立基础抗震设防烈度:7度抗震图纸张数:4张设计时间:2012内容简介完整的水泵

独立基础水泵房结构施工图(共4张图)

独立基础水泵房结构施工图(共4张图)

独立基础水泵房结构施工图(共4张图)
建筑功能:其他图纸深度:施工图结构形式:砌体结构,钢筋混凝土结构钢筋混凝土结构:其他结构基础形式:独立基础抗震设防烈度:7度抗震图纸张数:4张设计时间:2012内容简介完整的水泵
声明:资源收集自网络或用户分享,仅供学习参考,如侵犯您的权益,请联系我们处理。
不能下载?报告错误