
某三角形钢屋架结构设计图(桁架结构,共5张图)

某三角形钢屋架结构设计图(桁架结构,共5张图)

某三角形钢屋架结构设计图(桁架结构,共5张图)
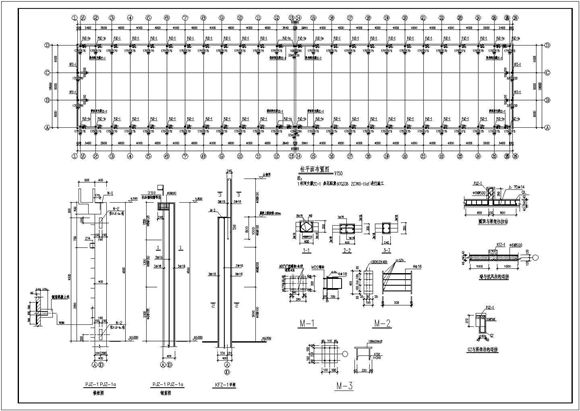
建筑功能:其他图纸深度:施工图结构形式:钢结构钢结构:桁架基础形式:桩基础图纸张数:5张设计时间:2011内容简介某三角形钢屋架结构设计图本次设计为:某三角形钢屋架结构设计图

某三角形钢屋架结构设计图(桁架结构,共5张图)

某三角形钢屋架结构设计图(桁架结构,共5张图)

某三角形钢屋架结构设计图(桁架结构,共5张图)
建筑功能:其他图纸深度:施工图结构形式:钢结构钢结构:桁架基础形式:桩基础图纸张数:5张设计时间:2011内容简介某三角形钢屋架结构设计图本次设计为:某三角形钢屋架结构设计图
声明:资源收集自网络或用户分享,仅供学习参考,如侵犯您的权益,请联系我们处理。
不能下载?报告错误