
某办公楼中央空调平面图(共9张图纸)

某办公楼中央空调平面图(共9张图纸)

某办公楼中央空调平面图(共9张图纸)
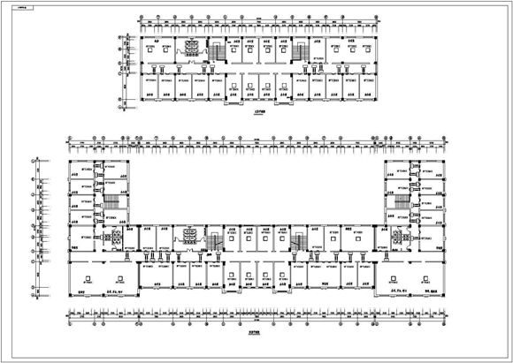
本工程共五层。空调采用一拖多商用中央空调方式,室外机设在地面上,室内机设在室内或走廊吊顶中。

某办公楼中央空调平面图(共9张图纸)

某办公楼中央空调平面图(共9张图纸)

某办公楼中央空调平面图(共9张图纸)
本工程共五层。空调采用一拖多商用中央空调方式,室外机设在地面上,室内机设在室内或走廊吊顶中。
声明:资源收集自网络或用户分享,仅供学习参考,如侵犯您的权益,请联系我们处理。
不能下载?报告错误