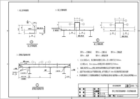
某院组合楼板结构通用图(共18张图纸) 某院组合楼板结构通用图(共18张图纸) 某院组合楼板结构通用图(共18张图纸) 图纸包括:总说明、楼板配筋-压型钢板做底模、楼板配筋-无压型钢板底模、钢筋接头,孔洞加固-压型钢板做底模、钢筋接头,孔洞加固-无压型钢板底模、护沿,支墩及悬挑板配筋-压型钢板做底模、护沿,支墩及
某院组合楼板结构通用图(共18张图纸)
某院组合楼板结构通用图(共18张图纸) 某院组合楼板结构通用图(共18张图纸) 某院组合楼板结构通用图(共18张图纸) 图纸包括:总说明、楼板配筋-压型钢板做底模、楼板配筋-无压型钢板底模、钢筋接头,孔洞加固-压型钢板做底模、钢筋接头,孔洞加固-无压型钢板底模、护沿,支墩及悬挑板配筋-压型钢板做底模、护沿,支墩及
某院组合楼板结构通用图(共18张图纸)