当前位置:首页  资料内容详情

铁附件加工图纸设计合集

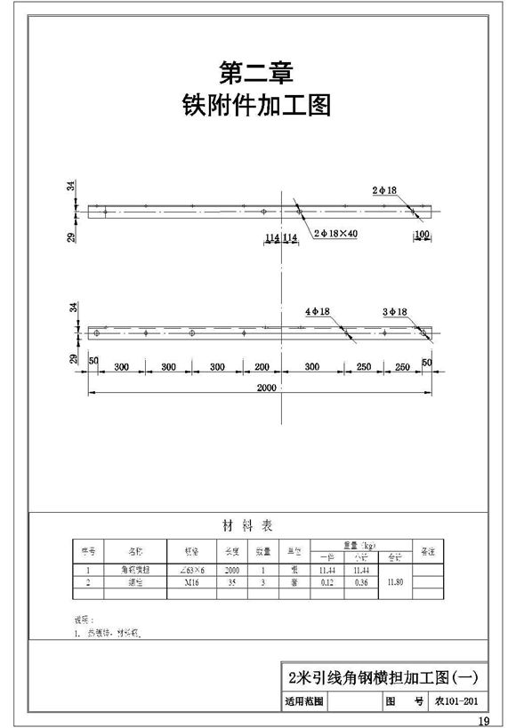
铁附件加工图纸设计合集 其中包括农101-2022米引线角钢横担加工图、农101-215变压器标示牌加工图、农101-2111.5米低压引线角钢横担加工图等加工图纸设计

铁附件加工图纸设计合集

声明:本站为网络服务提供者及网络索引服务平台资源索引自网络/用户分享,如有版权问题,请联系站方删除。

不能下载?报告错误