规范网
更新
当前位置:
规范网
资料
内容详情
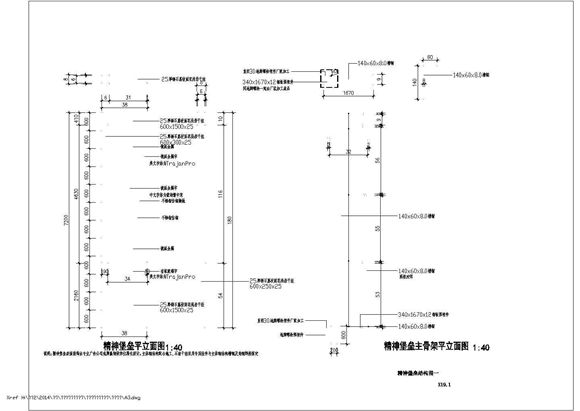
精神堡垒cad施工图详图和CAD效果图
精神堡垒cad施工图详图和CAD效果图
精神堡垒cad施工图详图和CAD效果图
精神堡垒cad施工图详图和CAD效果图,图纸清晰,可供学习。
加入收藏
下载文件
声明:资源收集自网络或用户分享,仅供学习参考,如侵犯您的权益,请联系我们处理。
不能下载?报告错误
下页:
隔膜气压罐尺寸重量参照表
相关推荐
坡面屋顶阵列前后间距计算和遮挡物影长计算公式V1.1
光伏专用电缆选型计算,汇流箱至逆变器电缆选型计算,短路电流计算,组串数量计算
风力发电经济评价模型案例
风电 水电效益测算分析表
分布式光伏工程报价参考计算表格
精神堡垒cad施工图详图和CAD效果图
下载文件
免费下载
标签
安全带标准
海洋规范
自我评价
工作通知
建筑材料规范
个人工作计划
海关规范
纺织规范
锻件标准
给排水
船舶规范
客服总结
环境保护规范
建筑标准
放假通知
安全标准
采购总结
螺钉标准
密封圈标准
广播稿
旅游规范
15s202
化工规范
税务规范
污染物排放标准
16s518
17J927-1
宁夏回族自治区标准