当前位置:首页  资料内容详情

40米升降高杆灯基础设计cad图,共四张

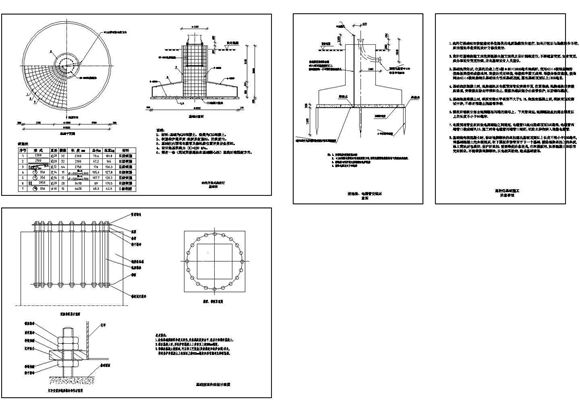
40米升降高杆灯基础设计cad图,共四张 本资料为40米升降高杆灯基础设计图,资料内容包括40米升降式高杆灯基础图可供参考,值得设计师下载

40米升降高杆灯基础设计cad图,共四张

声明:本站为网络服务提供者及网络索引服务平台资源索引自网络/用户分享,如有版权问题,请联系站方删除。

不能下载?报告错误