
松木桩 详细说明及平面设计施工图

松木桩 详细说明及平面设计施工图
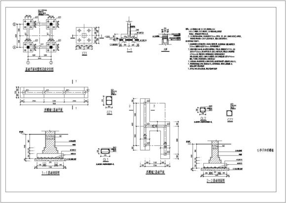
本图纸为:松木桩详细说明及平面布置,图纸包括:基础平面布置图及桩定位图、结构设计总说明、ti亭子和浮雕墙等,图纸内容完整,设计规范,制图严谨,欢迎设计师下载使用。

松木桩 详细说明及平面设计施工图

松木桩 详细说明及平面设计施工图
本图纸为:松木桩详细说明及平面布置,图纸包括:基础平面布置图及桩定位图、结构设计总说明、ti亭子和浮雕墙等,图纸内容完整,设计规范,制图严谨,欢迎设计师下载使用。
声明:资源收集自网络或用户分享,仅供学习参考,如侵犯您的权益,请联系我们处理。
不能下载?报告错误