电子版 S4-JT-09 单悬臂标志结构图

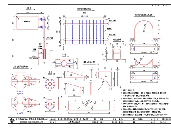
图名:单悬臂标志结构图
图号:S4-JT-09
图集大小:383 KB
S4-JT-09单悬臂标志结构图简介S4-JT-09单悬臂标志结构图电子版由“文档网”搜集整理分享给各位工程师,该电子版内容较为清晰,适合下载打印使用,欢迎有需要这份建筑图资料的朋友下载使用!

图名:单悬臂标志结构图
图号:S4-JT-09
图集大小:383 KB
S4-JT-09单悬臂标志结构图简介S4-JT-09单悬臂标志结构图电子版由“文档网”搜集整理分享给各位工程师,该电子版内容较为清晰,适合下载打印使用,欢迎有需要这份建筑图资料的朋友下载使用!
声明:资源收集自网络或用户分享,仅供学习参考,如侵犯您的权益,请联系我们处理。
不能下载?报告错误