规范网
更新
当前位置:
首页
资料
内容详情
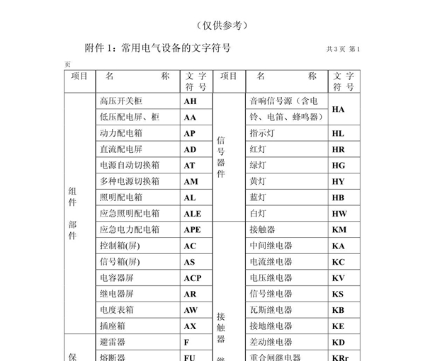
电气设计常用符号
帮助
举报
收藏
上传文档
下载
预览图
电气设计常用符号
电气设计常用符号
收藏
下载
声明:本站为网络服务提供者及网络索引服务平台资源索引自网络/用户分享,如有版权问题,请
联系
站方删除。
不能下载?报告错误
下页:
低压电气设计规范完整版
相关推荐
建筑电气设计疑难点解析及强直性条文
民用建筑电气设计标准实施指南2020年版
建筑电气设计统一技术措施2021版
AutoCAD电气设计从入门到精通中文版张玺2019年版
高清带书签建筑电气设计统一技术措施2021版 中国建筑设计研究院编制
电气设计常用符号
下载
免费下载
用户名称:
朱明刚
注册时间:
2023-12-25
认证方式:
手机认证
资源帮助
上传文档
标签
公司工作计划
排放标准
无缝钢管标准
电动自行车标准
电力资料
12j201
工作通知
学习总结
无缝管标准
能源资料
管件标准
水产规范
银行工作计划
旅游规范
江苏省标准
建筑标准
电影规范
石油化工规范
牛奶标准
个人总结
申请书模板
建筑工程规范
广西省标准
动力学
烟草规范
钢管标准
管螺纹标准
离职申请