该资料大小估算0.05MB,甘肃省市政维修养护工程消耗量定额 (DBJD25-29-2006)补充定额共1页,pdf格式
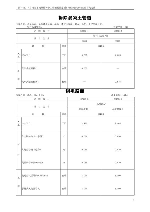
甘肃省市政维修养护工程消耗量定额(DBJD25-29-2006)补充定额是对原2006版市政维修养护工程消耗量定额的补充和调整文件。该补充定额主要针对市政维修养护工程中可能出现的新的施工技术、材料、工艺或特殊情况,对原定额中未涵盖或需要更新的内容进行了补充说明和调整,以确保定额的适用性和准确性。补充定额通常包括新增项目、调整人工、材料、机械台班消耗量等内容,为工程预算、结算和招投标提供依据。具体内容需参考甘肃省住房和城乡建设厅发布的官方文件。
