该资料大小估算0.06MB,EPC项目商务超前策划表共1页,docx格式
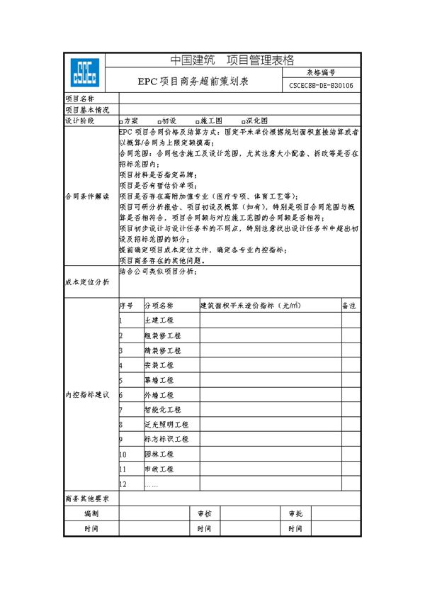
EPC项目商务超前策划表是工程总承包项目在前期阶段用于系统规划和管理商务活动的工具。它主要帮助项目团队提前识别和应对商务风险、优化资源配置、控制成本,并确保项目顺利实施。该表通常包括以下内容:-**项目基本信息**:项目名称、业主单位、合同金额等。-**商务目标**:如利润率、成本控制目标、资金回收计划等。-**关键商务节点**:招投标、合同签订、收款节点等。-**风险识别与应对**:分析潜在商务风险并制定应对措施。-**资源与成本计划**:人力、材料、设备等资源配置及预算安排。-**合同管理要点**:合同条款重点、变更与索赔管理等。-**沟通与协调机制**:与业主、分包商等的沟通计划。通过提前策划,项目团队可以明确商务方向,提高项目执行的效率和盈利能力。
