
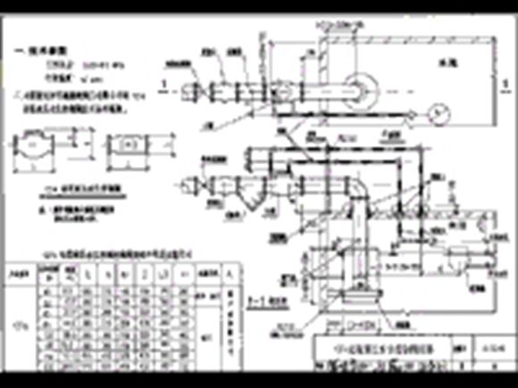
给排水常用水表及特种阀门安装图集(Word版)
给排水中比较常用的图集!包括水平式水表、立式水表、远传式水表、IC卡水表、代码预收费水表等通用图集及说明;各类阀门,包括止回阀、排气阀、减压阀、浮球阀、液压水位控制阀的安装大样图等等。

给排水常用水表及特种阀门安装图集(Word版)
给排水中比较常用的图集!包括水平式水表、立式水表、远传式水表、IC卡水表、代码预收费水表等通用图集及说明;各类阀门,包括止回阀、排气阀、减压阀、浮球阀、液压水位控制阀的安装大样图等等。
声明:资源收集自网络或用户分享,仅供学习参考,如侵犯您的权益,请联系我们处理。
不能下载?报告错误