当前位置:首页  资料内容详情

人孔门DN800和DN500详图

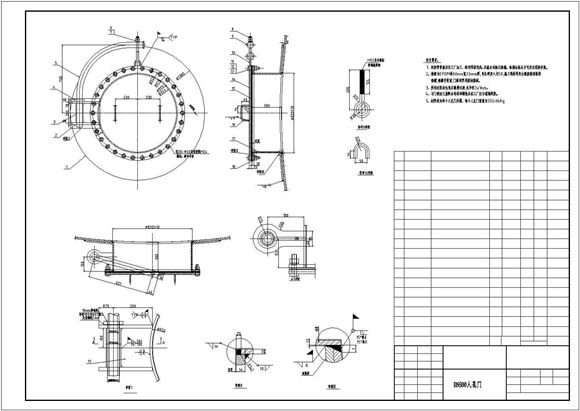
人孔门DN800和DN500详图 人孔门DN800和DN500详图 本图为人孔门DN800人孔门DN500详图,图纸内容包括:DN800和DN500人孔门装配图、零件表以及加工技术要求等等。

人孔门DN800和DN500详图

声明:本站为网络服务提供者及网络索引服务平台资源索引自网络/用户分享,如有版权问题,请联系站方删除。

不能下载?报告错误