如何计算砖砌围墙工程量?
砖砌围墙
定额计算规则:应分别不同墙厚以体积(m)计算,砖梁和压顶等工程量并入墙身内计算。
清单计算规则:高度算至压顶上表面(如有混凝土压顶时算至压顶下表面),围墙柱并入围墙体积内。
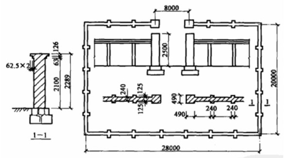
【例】试求如图所示砖砌围墙工程量。

某砖墙示意图
【解】(1)定额工程量:
围墙工程量=墙体+压顶+垛
={[0.242.289+(0.1260.125+0.0630.0625)2][(28+20)2-8.49]+0.24
0.12522.16318}m
={[0.54936+0.01968752]87.51+2.33604}m
=(0.58873587.51"+2.33604)m=53.86m
套用基础定额4-37。
大门砖柱工程量=0.490.492.52m=1.20 m
套用基础定额4-43。
(2)清单工程量:
围墙工程量=墙体+垛
={(0.242.289)[(28+20)2-8.49]+0.240.12522.16318}m
=50.41m
大门砖柱工程量=0.490.492.52 m=1.20m
清单工程量计算见表。
表 清单工程计算表
序号
项目编码
项目名称
项目特征描述
计量单位
工程量
1
010302001001
实心砖墙
围墙,墙厚240mm
m3
50.41
2
010302005001
实心砖墙
柱截面490mm490mm,柱高2.,5 m
m3
1.20