当前位置:首页  资料内容详情

方形雨水检查井构造及盖板配筋图

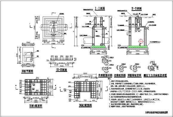
方形雨水检查井构造及盖板配筋图 方形雨水检查井构造及盖板配筋图,砖砌结构,适用于管道位于路侧检查井,带雨水口,非常实用。

方形雨水检查井构造及盖板配筋图

声明:本站为网络服务提供者及网络索引服务平台资源索引自网络/用户分享,如有版权问题,请联系站方删除。

不能下载?报告错误