规范网
更新
当前位置:
规范网
资料
内容详情
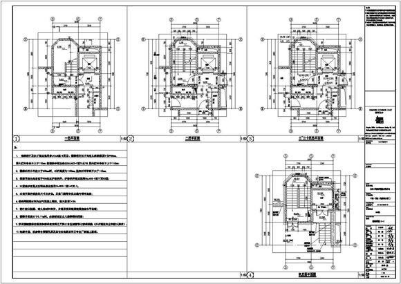
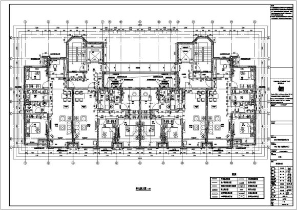
住宅楼建筑楼梯设计详图纸(共10张)
住宅楼建筑楼梯设计详图纸(共10张)
住宅楼建筑楼梯设计详图纸(共10张)
住宅楼建筑楼梯设计详图纸(共10张)
本图纸为住宅楼建筑楼梯设计详图,其内容包括墙身详图等图纸,可供参考。
加入收藏
下载文件
声明:资源收集自网络或用户分享,仅供学习参考,如侵犯您的权益,请联系我们处理。
不能下载?报告错误
下页:
某新华书店综合楼施工全套CAD平面图
相关推荐
住宅小区安全防范系统运维服务规范 (DB34/T 4977-2025)
住宅小区微型消防站建设管理规范 (DB3207/T 2039-2025)
住宅小区保安服务规范 (DB3402/T 76-2024)
住宅小区电动汽车充电设施建设管理规范 (DB4403/T 525-2024)
津17D20图集 住宅小区安全防范系统
住宅楼建筑楼梯设计详图纸(共10张)
下载文件
免费下载
标签
电气设计cad
物资管理规范
粉煤灰标准
动平衡标准
02j331
公司工作计划
15j401
学校领导讲话稿
最新更新
银行总结
装修
平垫圈标准
照明标准
认证认可规范
抽样标准
销售总结
活动总结
城镇建设规范
噪声标准
污染物排放标准
胶合板标准
建筑
农业标准
宁夏回族自治区标准
工程
人防
新闻出版规范
紧固件标准